公司技术站群
关注公司技术
套膜检测线
  • 单机产能
    ≥ 70PPM
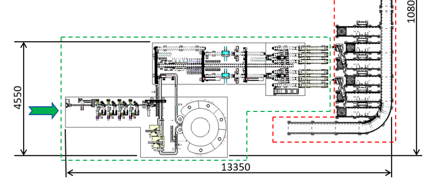
  • 外形尺寸
    单线 L*W*H≤ 13500*5400*2500mm
设备特点

采用转塔结构实现高速热缩,节省占地面积;

采用夹爪方式夹取电芯定位,兼容钢铝壳电芯。

设备配置

自动上料

扫码定位

贴绝缘片机构

套膜机构

热缩机构

尺寸测量机构

重量测量机构

外观检测机构

分档下料机构

打包物流线机构

设备参数
外形尺寸 单线 L*W*H≤ 13500*5400*2500mm
单机产能 ≥ 70PPM
适用电芯尺寸 直径:30-50mm;长度:130-200mm
获取更多产品资料
留言咨询

请填写以下表格,我们将尽快与您联系

联系方式
  • 您的姓名 *

  • 您的公司 *

  • 您的电话 *

  • 您的邮箱 *

获取资料
  • 您的留言 *